Книга: Практические основы техники вакуумных испытаний

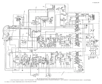
Настоящая книга представляет собой практическое руководство по испытанию вакуумной аппаратуры на герметичность. В ней описываются основные методы обнаружения течей, подробно излагается методика течеискания при помощи массоспектрометрического течеискателя ПТИ-4, даются указания по его эксплуатации и ремонту. В книге приводится описание современной вакуумной аппаратуры, даются практические советы по ее применению. В ней изложен тот минимум основных физических понятий вакуумной техники, знание которого необходимо для грамотного обращения с вакуумной аппаратурой. Материал книги рассчитан на широкий круг лиц, занимающихся эксплуатацией вакуумного оборудования, а некоторые ее разделы могут оказаться полезными для инженеров и научных работников, которым в ходе работы приходится сталкиваться с вопросами получения высокого вакуума.

Информация о документе

Формат документа
PDF, DJVU
Кол-во страниц
62 страницы
Загрузил(а)
Лицензия
Доступ
Всем

Информация о книге

Год публикации
1955
Автор(ы)
Ланис В. А., Левина Л. Е.

Статистика просмотров

Статистика просмотров книги за 2025 год.